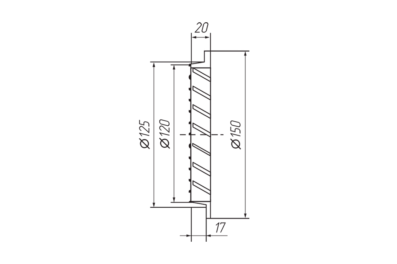
Вентиляционная решетка металлическая антивандальная ARIUS Usav-125 stone grey решетка, 125 мм, cеро-бежевая RAL U727 (136234)
Назначение:
Решетка вентиляционная металлическая антивандальная ARIUS Usav-125 stone gray мм предназначена для защиты воздуховода от попадания птиц, насекомых, тополиного пуха и прочего мелкого мусора с улицы.
— Устойчив к морозам;
— Предотвращает попадание осадков;
— Защищает от насекомых;
— Материал допускает окрашивание.
— Монтаж на саморезы (не входят в комплект);
— Наклонные ламели;
— Ударопрочная конструкция;
— Фиксация с помощью фланца;
Конструкция:
Решетка вентиляционная изготовлена из алюминия. Изделие осуществляет приток и вытяжку через предусмотренные в конструкции наклонные ламели. Так же ламели, служат надежной защитой от попадания атмосферных осадков – дождя и снега. На внутренней стороне решетки предусмотрена антимоскитная сетка из нержавеющей стали. Такое сочетание материалов делает конструкцию антивандальной и устойчивой к повреждениям.
Декоративный элемент:
Алюминиевая решетка может быть окрашена в абсолютно любой цвет, что позволяет ей выступать в качестве декоративного элемента для оформления выходов приточных или вытяжных вентиляционных систем бытовых, общественных и промышленных зданий.
Монтаж:
Решетка вентиляционная круглая достаточно проста в установке. Для монтажа следует зафиксировать ее с помощью фланца и закрепить при помощи 2-х саморезов (не входят в комплект поставки).
Рекомендации:
Решетка универсальна в своем применении, благодаря чему может использоваться как:
- стеновой выход приточных клапанов КИВ 125;
- защитный элемент вентиляционной системы;
- воздухораспределитель.
Подробнее о серии вентиляционных антивандальных металлических решеток ARIUS Usav-125 stone gray, Вы можете ознакомиться в соответствующем разделе сайта.
